2-PC BALL VALVE, FULL PORT, PN16 / PN40 FLANGE END, ISO DIRECT MOUNTING PAD
Product Name : 2-PC BALL VALVE, FULL PORT, PN16 / PN40 FLANGE END, ISO DIRECT MOUNTING PAD
Product Description
PRODUCT DESCRIPTIONS: 2F4DMPN16-40
PRODUCT CODE: 2F4DMPN16-40
MATERIAL: CF8 / SS304, CF8M / SS316, WCB
FLANGE END TO DIN2545 / DIN 2543
FACE TO FACE: DIN 3202
E-catalog page :
Product Character
STANDARD: ASME B16.34
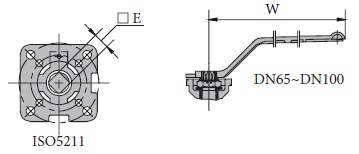
LOCKING LEVER AVAILABLE
TESTING TO API598/SP-110
INVESTMENT CASTING BODY
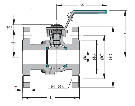
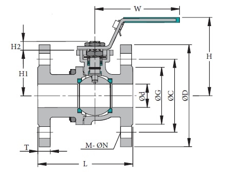
| SIZE | d | ØG | ØC | ØD | L | H | H1 | H2 | T | M | N | W | E | ISO 5211 |
|---|---|---|---|---|---|---|---|---|---|---|---|---|---|---|
| DN15 | 15 | 45 | 65 | 95 | 115 | 74 | 48 | 8 | 16 | 4 | 14 | 120 | 9 | F03/F04 |
| DN20 | 20 | 58 | 75 | 105 | 120 | 85 | 54 | 9 | 18 | 4 | 14 | 120 | 9 | F03/F04 |
| DN25 | 25 | 68 | 85 | 115 | 125 | 89 | 59 | 9 | 18 | 4 | 14 | 137 | 11 | F04/F05 |
| DN32 | 32 | 78 | 100 | 140 | 130 | 106 | 72 | 10 | 18 | 4 | 18 | 187 | 11 | F04/F05 |
| DN40 | 40 | 88 | 110 | 150 | 140 | 112 | 82 | 14 | 18 | 4 | 18 | 187 | 14 | F05/F07 |
| DN50 | 50 | 102 | 125 | 165 | 150 | 115 | 87 | 14 | 20 | 4 | 18 | 187 | 14 | F05/F07 |
| DN65 | 65 | 122 | 145 | 185 | 170 | 175 | 102 | 18.5 | 18 | 4 | 18 | 315 | 17 | F07/F10 |
| DN80 | 80 | 138 | 160 | 200 | 180 | 185 | 111 | 18.5 | 20 | 4 | 18 | 315 | 17 | F07/F10 |
| DN100 | 100 | 158 | 180 | 220 | 190 | 212 | 138 | 18.5 | 20 | 8 | 18 | 315 | 19 | F07/F10 |













