2-PC BALL VALVE FULL PORT ANSI 150LBS/300LBS FLANGE END ISO5211 DIRECT MOUNTING PAD
Nombre del producto : 2-PC BALL VALVE FULL PORT ANSI 150LBS/300LBS FLANGE END ISO5211 DIRECT MOUNTING PAD
Descripción del producto
Descripción del producto: 2FDM150 / 2FDM300
CÓDIGO DE PRODUCTO: 2FDM150 / 2FDM300
MATERIAL: CF8 / SS304, CF8M / SS316, WCB
ISO 5211 DIRECT MOUNTING PAD
EMBRIDADO PARA ANSI B16.5
CARA A CARA: ASME B16.10
Página Catálogo-E :
Característica del producto
ESTÁNDAR: ASME B16.34
DISPONIBLE PALANCA DE BLOQUEO
PRUEBA PARA API598/SP-110
INVESTMENT CASTING BODY
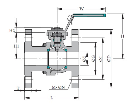
| SIZE | d | ØG | ØC | ØD | L | H | H1 | H2 | T | M | N | W | E | ISO 5211 |
|---|---|---|---|---|---|---|---|---|---|---|---|---|---|---|
| DN15 | 15 | 35.1 | 60.5 | 89 | 108 | 79 | 48 | 8.5 | 11.2 | 4 | 16 | 120 | 9 | F03/F04 |
| 35.1 | 66.5 | 95 | 140 | 14.3 | 4 | 16 | ||||||||
| DN20 | 20 | 42.9 | 70 | 98.6 | 117 | 85 | 54 | 8.5 | 11.2 | 4 | 16 | 120 | 9 | F03/F04 |
| 35.1 | 82.5 | 117 | 152 | 15.9 | 4 | 19 | ||||||||
| DN25 | 25 | 50.8 | 79.2 | 108 | 127 | 93 | 59 | 10 | 11.2 | 4 | 16 | 137 | 11 | F04/F05 |
| 35.1 | 89 | 124 | 165 | 17.5 | 4 | 19 | ||||||||
| DN32 | 32 | 63.5 | 88.9 | 117 | 140 | 106 | 72 | 10 | 12.7 | 4 | 16 | 187 | 11 | F04/F05 |
| 35.1 | 98.5 | 133 | 178 | 19.1 | 4 | 19 | ||||||||
| DN40 | 40 | 73.2 | 98.6 | 127 | 165 | 112 | 80 | 14 | 14.2 | 4 | 16 | 187 | 14 | F05/F07 |
| 35.1 | 114.5 | - | 190 | 20.7 | 4 | 22 | ||||||||
| DN50 | 50 | 91.9 | 120.7 | 152.5 | 178 | 115 | 82 | 14 | 15.9 | 4 | 19 | 187 | 14 | F05/F07 |
| 35.1 | 127 | - | 216 | 22.3 | 8 | 19 | ||||||||
| DN65 | 65 | 104.8 | 139.7 | 177.8 | 190 | 175 | 102 | 17 | 17.5 | 4 | 19 | 315 | 17 | F07/F10 |
| 35.1 | 149 | 190 | 241 | 25.4 | 8 | 22 | ||||||||
| DN80 | 80 | 127 | 152.4 | 190.5 | 203 | 185 | 111 | 17 | 19.1 | 4 | 19 | 315 | 17 | F07/F10 |
| 35.1 | 168 | 210 | 283 | 28.6 | 8 | 22 | ||||||||
| DN100 | 100 | 157.2 | 190.5 | 228.6 | 229 | 212 | 138 | 20 | 23.9 | 8 | 19 | 315 | 22 | F07/F10 |
| 35.1 | 200 | 254 | 305 | 31.8 | 8 | 22 |













