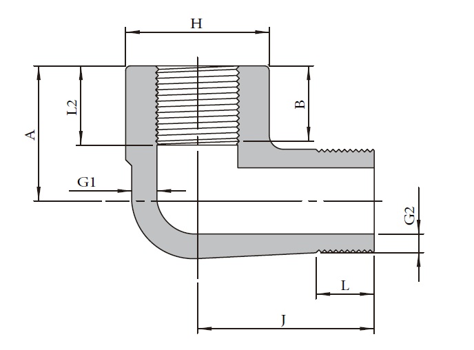
STREET ELBOW
Nombre del producto : STREET ELBOW
Descripción del producto
Nombre del producto: T6A
Página Catálogo-E :
Característica del producto
Tamaño: 1/8”- 2”
Conexión final: Final enroscada (NPT,BSP & BSPT)
Dimensión a ASME B16.11-2009
Pressure Rating:
3000/6000 LBS (Threaded End)
Especificación de Material:
ASTM A105, A350 LF2
ASTM A182 (F304,F304L,F316,F316L,F304H,F316H,F317L,F321,F11,F22,F91)
Acabado:
Acero al carbono-galvanizado o negro
Acero inoxidable: Decapado
Acero de baja aleación: Negro
***Acero de baja aleación: Negro***












