Capa Redondo
Nombre del producto : Capa Redondo
Descripción del producto

Nombre del producto: Capa Redondo
Número de ítem: 18
Clase: 150LBS
Material: SS304 / SS316
Rosca: NPT / BSP / BSPT
Página Catálogo-E :
Característica del producto
Hecho mediante Fundición por Precisión
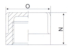
| SIZE | O(mm) | N(mm) |
|---|---|---|
| 1/8" | 17 | 14.6 |
| 1/4" | 21 | 15.4 |
| 3/8" | 25 | 17.8 |
| 1/2" | 28 | 20.8 |
| 3/4" | 35 | 23.5 |
| 1" | 42 | 25.8 |
| 1.1/4" | 51.5 | 28.5 |
| 1.1/2" | 58.1 | 30.3 |
| 2" | 71 | 36.4 |
| 2.1/2" | 86 | 42.2 |
| 3" | 102.7 | 43 |
| 4" | 128.5 | 54.5 |










